電動閥門的接線方法主要包括以下幾個步驟:
確定控制器的電源和電壓:首先需要明確控制器的電源類型和電壓,以確保安全有效地控制電動閥門。
連接閥體:將電動閥與管道正確連接,確保系統的密封性和流暢性。
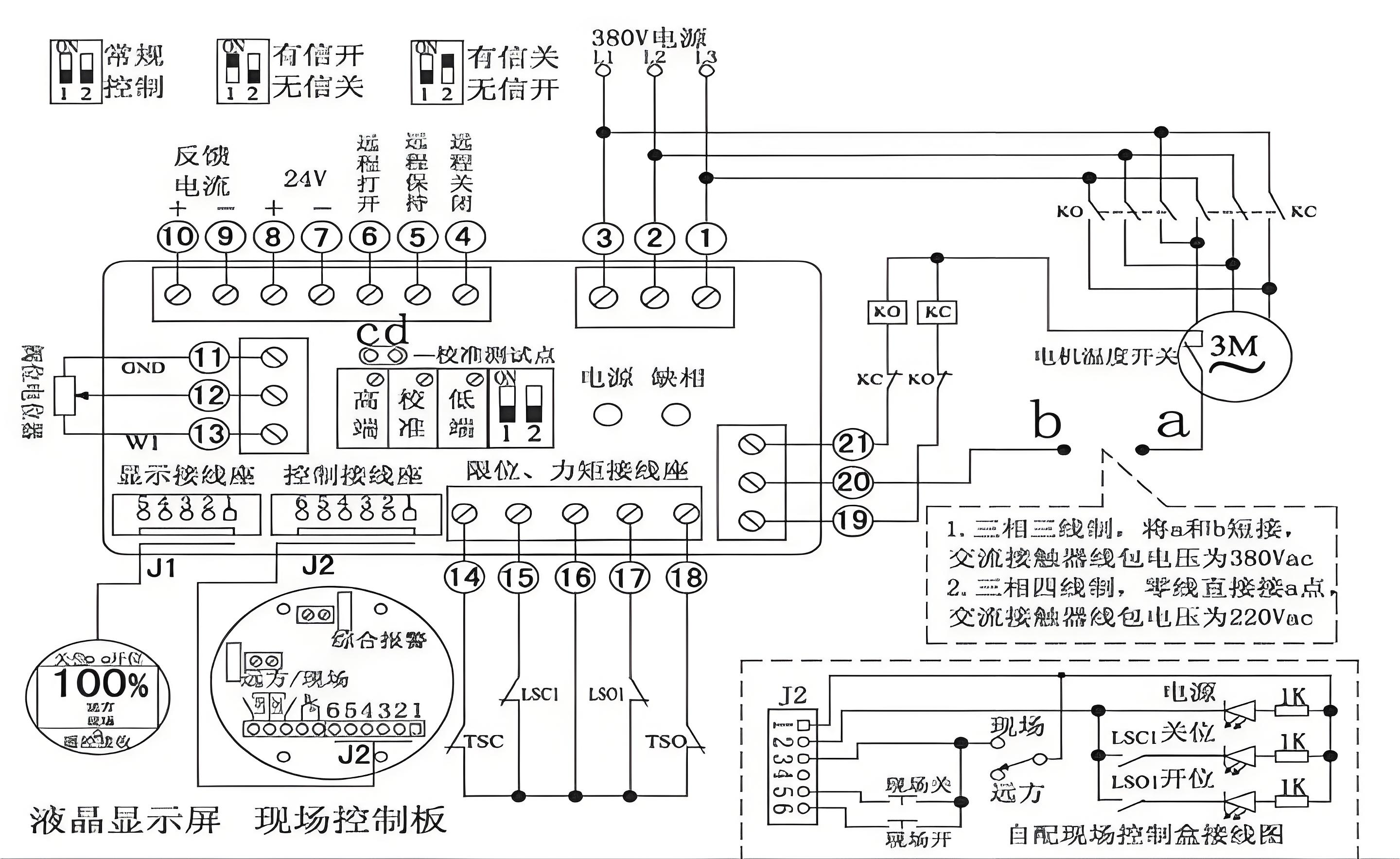
接線:將電動閥的三根電線分別接到控制器對應的接線端子上。這一步驟需要仔細操作,確保每根電線正確連接到控制器。
調試:完成接線后,進行調試以確保控制器和電動閥的電源連接正確,閥門能夠按照控制指令正常開啟和關閉。

在接線過程中,還需要注意以下幾點:
準備工具和材料:準備好必要的工具如螺絲刀、鉗子、剪線鉗、絕緣膠條以及符合要求的電纜線。
確認電纜與儀表的對接方式:了解電動執行器和儀表的說明書,明確各電纜和端子的功能及對應位置,避免插錯或插反。
檢查電壓和接地:確保接線設備的電壓與電動執行器的額定電壓匹配,同時檢查接地情況,保證設備的安全穩定運行。
連接電源線和信號線:電源線的連接相對簡單,而信號線的連接則需遵循控制系統的接線要求,確保信號傳輸的穩定性和準確性。
收尾工作:接線完成后,對接線口進行絕緣處理,使用絕緣膠條密封接線口,防止設備進水或發生其他安全隱患。
通過上述步驟和注意事項,可以確保電動閥門的正確接線,實現安全高效的操作。 電動閥門的接線方式主要分為交流電源和直流電源兩種類型。
交流電源接線:電動閥門可以使用交流電源進行接線,電壓等級包括AC110V、AC220V、AC380V。這種接線方式適用于需要較高電壓和電流的場合。
直流電源接線:電動閥門也可以使用直流電源進行接線,電壓等級包括DC24V、DC12V。直流電源接線適用于對電壓和電流要求不高的場合,或者需要精確控制的應用場景。

此外,電動閥門的控制方式還包括有源開關式、無源開關式、電位計型、防爆型、調節型等,這些控制方式的選擇取決于具體的應用需求和安全要求。例如,防爆型電動閥門適用于需要防爆的環境,而調節型電動閥門則適用于需要精確調節流量的應用。 接線時,需要確定電動閥門的電源線和控制線,并將電源線和控制線的兩端分別插入電動閥門接線端子的相應插口中。電源線通常接在接線端子的“L”和“N”插口,而控制線接在接線端子的“+”和“-”插口。用螺絲刀或扳手固定接線端子,以確保電線連接牢固、不松動。最后,根據操作手冊和電動閥門的指示,連接電源和控制器,進行相關的電氣測試和調節,確保電動閥門正常運轉。
電動閥門的接線方式可以分為多種型號,主要包括有源開關式、無源開關式、電位計型、防爆型、調節型等。 有源開關式:普通開關型帶有源燈指示接線圖,適用于需要電源供電的電動閥門。 無源開關式:開關型無源觸點型帶反饋接線圖,適用于不需要電源供電的電動閥門。 電位計型:開關型帶開度式接線圖,適用于需要精確控制閥門開度的應用。 防爆型:適用于需要防爆環境的特殊場合。 調節型:輸入輸出4-20mA,智能調節型接線圖,適用于需要精確調節流量或壓力的場合。 此外,根據電源電壓的不同,電動閥門執行器可以分為交流(AC110V、AC220V、AC380V)和直流(DC24V、DC12V)兩種類型。這些分類旨在滿足不同應用場景下的電氣連接需求,確保安全、有效地控制閥門的開啟和關閉。